WIRELESS AMR WATER METER (GPRS) DN32-300(Split type)
Contents
I. Overview
Ⅱ. Features
Ⅲ. Technical Parameters
Ⅳ. Operation (use) instructions
Ⅴ.Installation & use
Ⅵ. Common faults & causes
Ⅶ. Disclaimer
I. Overview
The wireless
AMR water meter(GPRS) belong to high-tech products in the smart water meter, using of advanced wireless transmission technology, it transforms metered information of conventional mechanical water meter into electrical signal have it stored by micro-electronics control circuit. It is able to automatically read the metering data via wireless remote network and is also able to transfer the data to the back-office system (data center) after reading
the meters.
Ⅱ. Features
1, Easy to build: no wiring required, easy to install and debug;
2, low construction cost: no wiring costs, use wireless network, signal stability, fast reading data;
3, long service life: low power design, real-time standby, battery life ≥ 3-4 years (upload data once a day)
Ⅲ. Technical Parameters

1. Communication parameters

2. Relative error
The maximum allowable error is ±5% from the low flow area including the minimum flow rate to the demarcation flow rate (exclusive)
From high flow areas including demarcation flow to overload flow (inclusive) when the water temperature is ≤ 30°The maximum allowable error is ±2%; when the water temperature>30°, the maximum allowable error±3%
3.Operating temperature: Cold water meter: (0.1 ~ 30) °C Hot water meter: (0.1 ~ 90) °C Working pressure:≤1.0MPa
4.Pressure loss:≤0.063MPa
5. Installation Environment: Class B - Fixed Water Meter installed in indoor
6. Electromagnetic Environment: E1 - Residential, Commercial and Light Industry
7. Working current: quiescent current <19uA
8. Flow profile sensitivity level: U10, D5
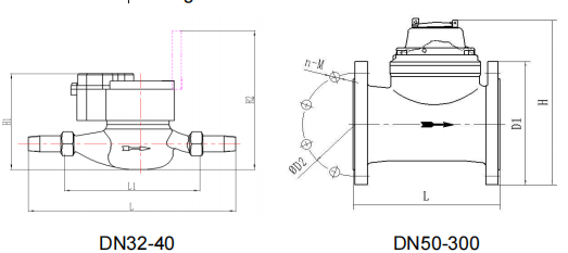
9. Dimensional diagram



11、Display content

Ⅳ. Operation (use) instructions
The GPRS wireless water meter uses an authorized wireless frequency band and uses a communication carrier network. Button on the voltage interface long touch sign “ ”5 S,show “- - -”,This means that the meter is in the online state, and the reported data and control valve can be queried on the platform.
Ⅴ.Installation & use
1.Water meter with proper calibre should be choosed according to diameter of pipeline at installation site. The expected flow rate should be compatible with the Q1 to Q3 flow of the water meter.
2. the water meter installation must be based on the water meter dial on the prompt: there is "H" logo for horizontal installation, "V" for vertical installation, the direction of the arrow on the body is consistent with the direction of the pipe flow.
3.The front end and the end of the water meter need to be equipped with a shut-off valve, and the straight pipe section of sufficient length and the same diameter is installed according to the requirements of U5, D3 (5DN, 3DN) to ensure accurate measurement.
4. The impact and vibration of the surrounding environment of the installation site should be prevented, otherwise the water meter will be damaged.
5.The water meter should be protected from excessive stress caused by pipes and fittings. If necessary, install the water meter on the base or bracket. The upper and lower water pipes should be properly fixed to prevent any part from being displaced by the thrust of the water when the water meter is removed or the side is disconnected.
6.pipeline installation should leave the necessary water meter connection length, when the distance between the two ends of the pipeline exceeds the length of the water meter, the pipeline spacing should be corrected to meet the water meter connection length, otherwise the excessive spacing will force the water meter thread connection end or tube The joint or connecting nut and the connecting flange are broken and damaged. If the spacing is too small, the water meter cannot be installed. If the pipelines at both ends of the water meter are not on the same axis, the pipeline should be corrected on the same axis by other means, which satisfies the installation requirements of the water meter, otherwise the above phenomenon will also occur.
7. The main pipeline should be flushed before installation to prevent stones, sand and other debris from entering the water meter.
8. In order to allow the water meter to work for a long time, the water meter should always be filled with water, it is recommended that the outlet faucet is higher than the water meter by more than 0.5m.
9. When using the water meter, measures should be taken to prevent unfavorable hydraulic conditions (cavitation, surge, water hammer) from damaging the water meter.
10.The water meter should be protected from exposure and freezing, and antifreeze measures should be taken during freezing. The water meter should prevent the external environment from corroding and causing damage to the water meter.
11. During the long-term use of water meters, periodic inspections should be carried out according to local requirements. If there are debris, rust and other deposits in the pipeline blocking the water filter network and affecting the accurate measurement, it must be recalibrated by the designated department, and the user shall not repair the water meter at will.
12.If the water meter is used in a harsh environment, after installing the check valve and venting the gas in the back pipe of the water meter, the water meter rotation cannot be eliminated. The water supply enterprise should consider other methods to solve this problem.
Ⅵ. Common faults & causes
1. When the water meter is not used, the pointer has intermittent small rotation. The reason is mostly the water pressure fluctuation in the pipe network or the air in the pipe.
2. The water meter continuously and evenly rotates when the water meter is not in use. This phenomenon indicates that there is a dripping and running water in the pipeline behind the water meter.
3. When there is no data upload on the platform, the administrator needs to go to the site to check the troubleshooting.
Note: The battery of the water meter should be replaced by a
special person, and the user should not replace it by himself.
Ⅶ. Disclaimer
If the seal is damaged or incomplete, the company is not responsible. And the company does not bear other responsibilities other than water meters (including but not limited to the responsibility of water metering disputes caused by water meter failure or error
Copyright © YomteY Group Co., Ltd. All Rights Reserved | Sitemap