
APPLICATION:
This range of water meter is used to measure the total quantity of cold
(hot) potable water which consumed
in household or a resident unit
passing through the pipeline .
Compliance with Standard: Technical
data conforms to ISO4064 R160
Standard for Horizontal installation
PRODUCT FEATURE:
*Multi-jet, Rotary vane wheel type
*Dry-dial, Magnetic drive, Resistance to exterior magnetic interference .*Selected high quality materials for steady, reliable characteristic& good
looking.
*Vacuum sealed register ensures the dial kept free from fog and keep the
*reading clear in a long term service.
*Measuring accuracy conform to ISO4064 R160 Standard.
*Universal use .Easy for interchange and maintenance.
*Brass material (Cu is around57).
MAXIMUM PERMISSIBLE ERROR
In the lower zone from Qmin inclusive up to but excluding Qt is±5%
In the upper zone from Qt inclusive up to and including Qs is±2%
(Hot water meter±3%)
MAIN TECHNICAL DATA

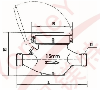
DIMENSIONS AND WEIGHT


WORKING CONDITION
Water temperature: :0℃≤t≤40℃(For cold water meter)
Water pressure: 1. :≤1.0<MPa
2. ≤1.6<MPa
INSTALLATION REQUIREMENTS:
1. Meter should be installed in horizontal position with register face
upwards.
2. Pipeline must be flushed before installation .
3. The meter should be constantly full of water during operation.
OUTPUT PULSE INFORMATION :
Transmission component: reed switch sensor
Working voltage range: 3V~15V
Sensor is sealed with special material to ensure the stability and
reliability during working .
Double sensors equipped, match to data acquire equipment to test the
interference by magnetic field outside.
Transmitting distance : the max distance from transmission water meter
to data acquire equipment is 120m
The pulse constant is 10pulse/m³ or 100pulse/m³
Copyright © YomteY Group Co., Ltd. All Rights Reserved | Sitemap